Web Analytics Made Easy -
StatCounter

Pacbrake Wiring Diagram

Pac Brake Wiring Diagram 2005 Monaco Irv2 Forums

Pac Brake Wiring Diagram 2005 Monaco Irv2 Forums

Pacbrake Exhaust Brakes 1995 2007 Ford Trucks

Pacbrake Exhaust Brakes 1995 2007 Ford Trucks

Electrical Interface Wiring Diagram For Ford Kit C20002

Electrical Interface Wiring Diagram For Ford Kit C20002

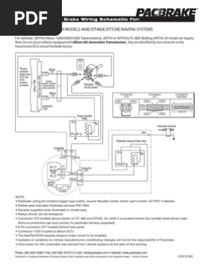
Exhaust Brake Dt466e

Exhaust Brake Dt466e

Torque Convertor Control System Part Pdf Free Download

Torque Convertor Control System Part Pdf Free Download

Warning Boring Exhaust Brake Wiring Diagram Behind The Scenes

Warning Boring Exhaust Brake Wiring Diagram Behind The Scenes

Warning Boring Exhaust Brake Wiring Diagram Behind The Scenes

Contact pacbrake customer service 800 663 0096 for more information.

Pacbrake wiring diagram. 2015 2020 ford f 150 4wd as you know the true value of investing. Contact pacbrake customer service. Also referring to a wiring diagram to confirm correct wire location in the main grey connector would be helpful in conjunction with the following troubleshooting procedure. Thank you and congratulations on your purchase of a pacbrake direct mount exhaust retarder.

Pacbrake vs airlift vs firestone. Allison transmission interface with footswitch group. Pacbrake offers an optional gallon air tank to speed up the exhaust brake activation. See the wiring diagram pertaining to your kit found on page 12 16.

Doing so eliminates the need to hard wire the exhuast brake circuit to the transmission ecu the exhaust brake circuit only needs to be hard wired with the engine ecu. Pacbrake hp10358 vs firestone 2582 vs airlift 57385. See page 6 for wiring schematic. Pacbrake exhaust brake controller troubleshooting table of contents claim 1.

B pacbrake for the most up to date application guides visit our website. Comparing hp10358 to the competition eliminate sag. Dt ht466 530 all w multiplex wiring n a n a above above above c10220 l7049 c11777 l7049 dt466e 2000 2004 1 2 jake exhaust brake replacement unit inlinemount 3 5 c40016 n a. 17a c44073 kit only.

If all diagnosis and solutions above fail it s likely to be a controller quality issue. Pacbrake has products for all popular truck brands. Do not install the kits listed below on 2003 model year dodge trucks built up to june 27th 2005 with automatic transmissions without a transmission lock up controller. Year 2020 2019 2018 2017 2016 2015 2014 2013 2012 2011 2010 2009 2008 2007 2006 2005 2004 2003 2002 2001 2000 1999 1998 1997 1996 1995 1994 1993 1992 1991 1990 1989 1988 1987 1986 1985 1984 1983 1982 1981 1980 1979 1978 1977 1976 1975 1974 1973 1972 1971 1970 1969 1968 1967 1966.

6 wiring locate the chassis head module it should be behind the cab inside the frame on the drivers side. Pacbrake exhaust brake in conjunction with allison 1000 and 2000 series transmissions wtec iii series. Pacbrake solenoid 30 87a 87 85 86 16 35 40 58 70 1 13 for vehicles. Consult your closest caterpillar or allison dealer for a quote pacbrake offers an interface kit c13074 if hard wiring is your preference.

Route the brown orange blue yellow and the obd1 connector of the pacbrake harness along the firewall to the passenger side firewall. Relay shown is de energized.

Pac Brake Not Coming On Irv2 Forums

Pac Brake Not Coming On Irv2 Forums

C18037 Pacbrake High Temp Lubricant

C18037 Pacbrake High Temp Lubricant

Caterpillar 3116 3126 3126b Exhaust Brake Wiring Schematic For

Caterpillar 3116 3126 3126b Exhaust Brake Wiring Schematic For

Pacbrake Prxb Exhaust Brake 98 5 02 Cummins

Pacbrake Prxb Exhaust Brake 98 5 02 Cummins

Engine Exhaust Brake Diagram Di 2020

Engine Exhaust Brake Diagram Di 2020

Freno De Escape Pdf

Freno De Escape Pdf

Ford Manual Transmission Pacbrake Wiring Diagram Diagram Base

Ford Manual Transmission Pacbrake Wiring Diagram Diagram Base

Md3060 Wiring Diagram Irv2 Forums

Md3060 Wiring Diagram Irv2 Forums

How Hard Is It To Install A Pacbrake Dodge Diesel Diesel

How Hard Is It To Install A Pacbrake Dodge Diesel Diesel

Fixed Orifice Versus Pressure Regulated Exhaust Brakes Pacbrake

Fixed Orifice Versus Pressure Regulated Exhaust Brakes Pacbrake

Pac Brake Problem Irv2 Forums

Pac Brake Problem Irv2 Forums

Exhaust Brake Problem From Pin 42 Ecm Dodge Cummins Diesel Forum

Exhaust Brake Problem From Pin 42 Ecm Dodge Cummins Diesel Forum

Ktm 625 Wiring Diagram Diagram Base Website Wiring Diagram

Ktm 625 Wiring Diagram Diagram Base Website Wiring Diagram

Getting Ready To Install My New Bd Exhaust Brake Dodge Diesel

Getting Ready To Install My New Bd Exhaust Brake Dodge Diesel

Source : pinterest.com